Gewinde- und Winkelgewinde-Bohrkopf (A.R.T.)
A.R.T. steht für das selbstständige Umsteuern der Spindeldrehrichtung beim Gewindeschneiden bzw. Gewindeformen. Als Kriterium für das Umsteuern wird die Vorschubrichtungsänderung der Werkzeugmaschine herangezogen. Es ist dabei kein Drehrichtungswechsel der Werkzeugmaschinenspindel erforderlich. Die Gewindefertigung kann durch das System AWEKO - A.R.T. entscheidend rationalisiert werden.
A.R.T. = Auto-Reverse-Tapping
Gewindebohrkopf A.R.T. 08
Gewindebohrkopf A.R.T. 16
Ausführungsbeispiel:
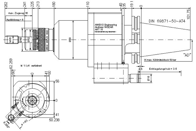
AWEKO-A.R.T. 12 zum rationellen Gewindeschneiden ohne maschinenseitigen Drehrichtungswechsel mit Spannzangenspindel Größe ER16-M zur Aufnahme von Gewindebohrer der Größen M6 - M10 Spannbereich von 1 - 10 mm. Winkelgewindebohrkopf A.R.T. 12
Technische Daten
| Maximale Antriebsdrehzahl: | n1 = 1500 1/min |
| Antriebsleistung: | P1 = 8 kW |
| Maximales Antriebsdrehmoment: | T1 = 30 Nm |
| Eindreh - Übersetzung | iE = 1 |
| Ausdreh - Übersetzung | iA = 0,608 |